A place for more technical discussions. Please make sure you post in the correct section on the site, this way it keeps the site tidy AND ensures you get a more relevant answer.
Engine not starting (G13BB)
Less
More
- Posts: 9800
- Thank you received: 1960
04 Jun 2025 07:12 #260736
by Lambert
Temeraire (2018 quasar grey automatic)
Pavement princess or back road menace?
Bellerophon (2024 grello van daily)
ADORJ Attention Deficit Ooooh Race Jimny!
Replied by Lambert on topic Engine not starting
I'm going to assume that you have a pin out for the ECU and have done continuity checking on all appropriate sections of the loom?
Temeraire (2018 quasar grey automatic)
Pavement princess or back road menace?
Bellerophon (2024 grello van daily)
ADORJ Attention Deficit Ooooh Race Jimny!
Please Log in or Create an account to join the conversation.
Less
More
- Posts: 2310
- Thank you received: 653
04 Jun 2025 07:56 #260737
by DrRobin
2020 blue SZ5 (one of the last to be registered in the UK)
Ex 2011 Blue Jimny SZ4
Northumberland Jimny Blog
Replied by DrRobin on topic Engine not starting
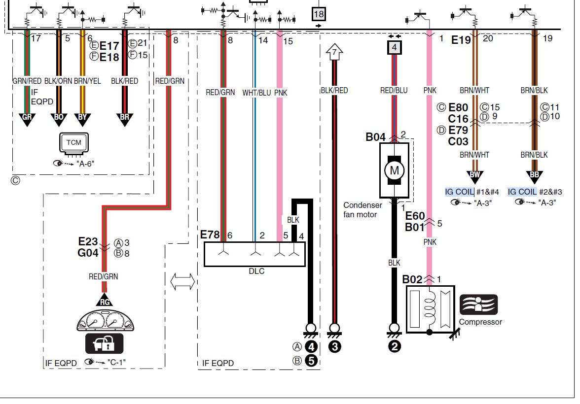
I found the following BigJimny post from Fordem
www.bigjimny.com/forum/7-jimny-technical...g13bb-wiring?start=6
Ignition coils #1 & #4 are driven from the same output on the ECU, line A6 and use the same coil, with ignition coils #2 & #3 using output A19. I assume it uses a ‘wasted spark’ and fires two cylinders together.
The injectors use a separate output as follows
Injector 1 - A10
Injector 2 - A23
Injector 3 - A9
Injector 4 - A22
Did you remove the ECU plugs when fitting the new cylinder head, I.e. before the problem occurred?
Are the problems getting worse, you didn’t mention about the spark until relatively recently or has it been like that since changing the head?
It’s possible a trapped wire or faulty circuit on one circuit (say an ignition coil) will then stop an injector from firing, especially if the voltage drops on the ECU or an injector fires at the same point as a coil.
I would suggest checking the ignition and injector wiring harness all the way between engine and ECU for any signs of damage.
Not sure how long the car was out of action whilst you did the head, but mice/rats have been known to chew the cables.
www.bigjimny.com/forum/7-jimny-technical...g13bb-wiring?start=6
Ignition coils #1 & #4 are driven from the same output on the ECU, line A6 and use the same coil, with ignition coils #2 & #3 using output A19. I assume it uses a ‘wasted spark’ and fires two cylinders together.
The injectors use a separate output as follows
Injector 1 - A10
Injector 2 - A23
Injector 3 - A9
Injector 4 - A22
Did you remove the ECU plugs when fitting the new cylinder head, I.e. before the problem occurred?
Are the problems getting worse, you didn’t mention about the spark until relatively recently or has it been like that since changing the head?
It’s possible a trapped wire or faulty circuit on one circuit (say an ignition coil) will then stop an injector from firing, especially if the voltage drops on the ECU or an injector fires at the same point as a coil.
I would suggest checking the ignition and injector wiring harness all the way between engine and ECU for any signs of damage.
Not sure how long the car was out of action whilst you did the head, but mice/rats have been known to chew the cables.
2020 blue SZ5 (one of the last to be registered in the UK)
Ex 2011 Blue Jimny SZ4
Northumberland Jimny Blog
Please Log in or Create an account to join the conversation.
- enforcer69@gmail.com
- Topic Author
- Offline
- Junior Member
-

Registered
Less
More
- Posts: 30
- Thank you received: 0
04 Jun 2025 12:34 #260739
by enforcer69@gmail.com
Replied by enforcer69@gmail.com on topic Engine not starting
Yes...or ar least I hope so...for injectors and sensors I'm 100% wiring is ok
Please Log in or Create an account to join the conversation.
- enforcer69@gmail.com
- Topic Author
- Offline
- Junior Member
-

Registered
Less
More
- Posts: 30
- Thank you received: 0
04 Jun 2025 12:50 #260740
by enforcer69@gmail.com
Replied by enforcer69@gmail.com on topic Engine not starting
- Correct, is a wasted spark system
- The injectors use a separate output as follows:
Injector 1 - A9
Injector 2 - A21
Injector 3 - A31
Injector 4 - A8
- No, I didn't removed the ECU plugs, but I removed the battery before.
- problems aren't getting worse, stay the same, I checked injection part first, then later spark part and updated the first post after I ran more tests.
- trapped wire or faulty circuit on one circuit - possible, but so far I could't find any..
- ignition and injector wiring harness are checked, but I can't see anything out or order
- about two weeks in the garage, yes, is possible to get rodents, but again, I can't see any sign of psyhical damage anywhere
- The injectors use a separate output as follows:
Injector 1 - A9
Injector 2 - A21
Injector 3 - A31
Injector 4 - A8
- No, I didn't removed the ECU plugs, but I removed the battery before.
- problems aren't getting worse, stay the same, I checked injection part first, then later spark part and updated the first post after I ran more tests.
- trapped wire or faulty circuit on one circuit - possible, but so far I could't find any..
- ignition and injector wiring harness are checked, but I can't see anything out or order
- about two weeks in the garage, yes, is possible to get rodents, but again, I can't see any sign of psyhical damage anywhere
Please Log in or Create an account to join the conversation.
Less
More
- Posts: 2310
- Thank you received: 653
04 Jun 2025 15:29 #260742
by DrRobin
2020 blue SZ5 (one of the last to be registered in the UK)
Ex 2011 Blue Jimny SZ4
Northumberland Jimny Blog
Replied by DrRobin on topic Engine not starting
If you have got a problem on one circuit it might be causing issues with another. Since you have two problems (one pair of spark plugs not firing and two injectors not working) this could be a clue.
If you are 100% that the wiring harness is ok, you could try unplugging first the coils to see if the injectors are driven and then unplug the injectors to see if both coils are driven.
After that I think you might need to get a mechanic or auto electrical engineer to look at it as the common thing is the wiring or ECU and I can’t think of a sensor failure that would allow a spark and injector on some cylinders and not others, it’s just not how they work.
If you are 100% that the wiring harness is ok, you could try unplugging first the coils to see if the injectors are driven and then unplug the injectors to see if both coils are driven.
After that I think you might need to get a mechanic or auto electrical engineer to look at it as the common thing is the wiring or ECU and I can’t think of a sensor failure that would allow a spark and injector on some cylinders and not others, it’s just not how they work.
2020 blue SZ5 (one of the last to be registered in the UK)
Ex 2011 Blue Jimny SZ4
Northumberland Jimny Blog
Please Log in or Create an account to join the conversation.
- enforcer69@gmail.com
- Topic Author
- Offline
- Junior Member
-

Registered
Less
More
- Posts: 30
- Thank you received: 0
04 Jun 2025 16:03 #260743
by enforcer69@gmail.com
Replied by enforcer69@gmail.com on topic Engine not starting
Please Log in or Create an account to join the conversation.
Time to create page: 0.245 seconds
