A place for more technical discussions. Please make sure you post in the correct section on the site, this way it keeps the site tidy AND ensures you get a more relevant answer.
Remote central locking
- mitsi
- New Member
-

Public
Less
More
- Thank you received: 0
27 Jun 2020 12:16 #224076
by mitsi
Replied by mitsi on topic Re: Remote central locking
Great info my friend,thanks.It worked for me also!!!!!
Please Log in or Create an account to join the conversation.
- s1ms
- New Member
-

Public
Less
More
- Thank you received: 0
07 Mar 2021 16:23 - 07 Mar 2021 17:52 #233511
by s1ms
Replied by s1ms on topic Re: Remote central locking
Resurrecting this as I've read the instructions 100 times and nothing makes sense.
I have disconnected the black from black/white dot. Now when I unlock, the car locks itself immediately. What do I need to connect the black/white dot wire to? Which wire do you connect the locking trigger to?
UPDATE: got it. Run a new cable and connect one end to the black/white dot cable and the other end to the LOCKING relay NORMALLY CLOSED to EARTH.
UPDATE: got it. Run a new cable and connect one end to the black/white dot cable and the other end to the LOCKING relay NORMALLY CLOSED to EARTH.
Last edit: 07 Mar 2021 17:52 by s1ms.
Please Log in or Create an account to join the conversation.
08 Aug 2022 09:31 - 08 Aug 2022 10:31 #244445
by Frosty
Replied by Frosty on topic Remote central locking
Hi
I apologise if I am in the wrong place. I appreciate this thread was started before my Jimny had any scratches or dents…. But I, too am having problems with my cheapo eBay alarm.
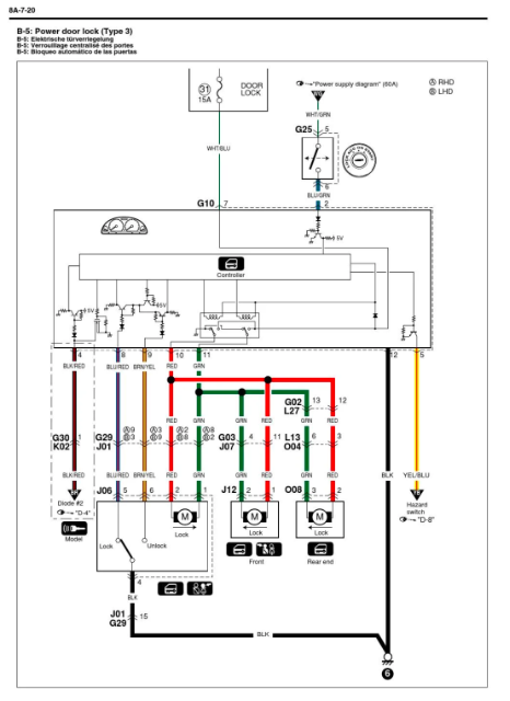
I have a 5 wire driver’s door lock configuration.
I have followed the instructions regarding cutting blue/red/dot and brown/yellow/dot cables and everything is fine - except…. I cannot lock/unlock the central locking using the driver’s door key (turning key in the door lock) nor using the knob on the driver’s door.
The use of the knob is the big issue. In an emergency I don’t want to be fumbling for the alarm fob to unlock the whole car…. Especially if the fob was damaged/detached during the incident.
Has anyone solved this problem??
Thank you in advance
I apologise if I am in the wrong place. I appreciate this thread was started before my Jimny had any scratches or dents…. But I, too am having problems with my cheapo eBay alarm.
I have a 5 wire driver’s door lock configuration.
I have followed the instructions regarding cutting blue/red/dot and brown/yellow/dot cables and everything is fine - except…. I cannot lock/unlock the central locking using the driver’s door key (turning key in the door lock) nor using the knob on the driver’s door.
The use of the knob is the big issue. In an emergency I don’t want to be fumbling for the alarm fob to unlock the whole car…. Especially if the fob was damaged/detached during the incident.
Has anyone solved this problem??
Thank you in advance
Last edit: 08 Aug 2022 10:31 by Frosty. Reason: Adding technical detail to my request for help
Please Log in or Create an account to join the conversation.
03 Dec 2023 14:59 - 03 Dec 2023 15:00 #252592
by Phaeton
Replied by Phaeton on topic Remote central locking
Last edit: 03 Dec 2023 15:00 by Phaeton.
Please Log in or Create an account to join the conversation.
04 Dec 2023 17:26 - 04 Dec 2023 17:28 #252616
by Phaeton
Replied by Phaeton on topic Remote central locking
Okay maybe somebody in the future will search & come across this & it will help, I got it working tonight on a 9 wire lock controller not finished but I can now lock & unlock from the fob, I just need to sort out the indicator flash but TBH I'm not that bothered. This also disables the ability to unlock all doors from the drivers door key, I may look at that later also.
I bought the Chinese Controller off ebay £9.40 delivered there are many different ones but all appear to be very similar this is the 3rd I've fitted to different cars, last one had a flashing LED when locked & looked like an alarm which was neat.
The Suzuki controller is between the glove box & the ashtray, it's held in by a single screw, but it's a barstool to get out or at least mine was. Once it's free then cut the BLU/RED & the BRN/YEL leave yourself enough wire to terminate. My Chinese controller needed a 12V constant live which I took from the WHT/BLU it also needed an earth/negative which I took from the BLK, I also connected the white & white/black from the Chinese controller to the earth/negative BLK.
Then connected the Yellow from the Chinese controller to the BLU/RED going into the Suzuki controller & the Yellow/Black from the Chinese controller to the BRN/YEL going into the Suzuki controller that's it it works on the fob & unlocks all the doors.
Whichever Chinese controller you buy there will be 2 sets of contacts, a NO (Normally Open), a COM (Common) & a NC (Normally Closed) you just need to use the NO sets.
Just to add this is for a 2003 JLX that must had had keyless entry at some point in it's life, I give no assurances it will work on any other models, but logically it should but at your own peril.
I bought the Chinese Controller off ebay £9.40 delivered there are many different ones but all appear to be very similar this is the 3rd I've fitted to different cars, last one had a flashing LED when locked & looked like an alarm which was neat.
The Suzuki controller is between the glove box & the ashtray, it's held in by a single screw, but it's a barstool to get out or at least mine was. Once it's free then cut the BLU/RED & the BRN/YEL leave yourself enough wire to terminate. My Chinese controller needed a 12V constant live which I took from the WHT/BLU it also needed an earth/negative which I took from the BLK, I also connected the white & white/black from the Chinese controller to the earth/negative BLK.
Then connected the Yellow from the Chinese controller to the BLU/RED going into the Suzuki controller & the Yellow/Black from the Chinese controller to the BRN/YEL going into the Suzuki controller that's it it works on the fob & unlocks all the doors.
Whichever Chinese controller you buy there will be 2 sets of contacts, a NO (Normally Open), a COM (Common) & a NC (Normally Closed) you just need to use the NO sets.
Just to add this is for a 2003 JLX that must had had keyless entry at some point in it's life, I give no assurances it will work on any other models, but logically it should but at your own peril.
Last edit: 04 Dec 2023 17:28 by Phaeton. Reason: Missed the model it was done on.
Please Log in or Create an account to join the conversation.
Time to create page: 1.389 seconds
