A place for more technical discussions. Please make sure you post in the correct section on the site, this way it keeps the site tidy AND ensures you get a more relevant answer.
2WD-L on a late -2005 VVT
08 Aug 2021 08:11 - 09 Aug 2021 08:25 #237389
by Filfrasen
Replied by Filfrasen on topic 2WD-L on a late -2005 VVT
Last edit: 09 Aug 2021 08:25 by Filfrasen.
Please Log in or Create an account to join the conversation.
08 Aug 2021 08:12 #237390
by Busta
Replied by Busta on topic 2WD-L on a late -2005 VVT
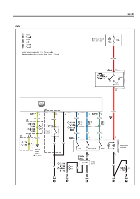
You need to cut one of the wires and add a switch in. When you go into 4wd the transfer case closes the 4wd switch, sending a 12v signal to the controller for the front hubs. The new switch allows you to open the circuit and stop the signal, so the hubs don't engage. I've completely bypassed the transfer case part on mine (pre-vvt) so I can switch the hubs on and off as I please. It's like having manual hubs, but cheaper and easier.
The following user(s) said Thank You: Filfrasen
Please Log in or Create an account to join the conversation.
08 Aug 2021 08:25 - 08 Aug 2021 14:05 #237392
by Filfrasen
Replied by Filfrasen on topic 2WD-L on a late -2005 VVT
Thanks Busta. 
If i I understand right its means I can take loose the white connection plug whit white wires from the NR4 valve for a tray before i cut anything, it would do the same thing to block the signal.
Do you now know the 4WD / 4L lights on the panel react after this switch mod on a VVT ?
If i I understand right its means I can take loose the white connection plug whit white wires from the NR4 valve for a tray before i cut anything, it would do the same thing to block the signal.
Do you now know the 4WD / 4L lights on the panel react after this switch mod on a VVT ?
Last edit: 08 Aug 2021 14:05 by Filfrasen.
Please Log in or Create an account to join the conversation.
08 Aug 2021 13:28 - 08 Aug 2021 14:21 #237398
by Filfrasen
Replied by Filfrasen on topic 2WD-L on a late -2005 VVT
I did a test today.
Test 1:
1. I disconect the white plug with wite wires from the vacum valve "nr4"
2. I start the car.
3. I pusch "4WD" button.
4. The green light for "4WD" start flasching om the panel.
5. I coult not go back to 2WD or 4WD-L.
Test 2:
1. I start the car.
2. I disconect the white plug with wite wires from the vacum valve "nr4"
3. I pusch "4WD" button.
4. The green light for "4WD" start flasching om the panel.
5. I could not go back to 2WD or 4WD-L.
It dident work, it sounds like the vacumhubs go in to "4WD" anyway and the 4WD control locks upp.
Open the circuit to stop the signal dont seams to work on my car.
Test 1:
1. I disconect the white plug with wite wires from the vacum valve "nr4"
2. I start the car.
3. I pusch "4WD" button.
4. The green light for "4WD" start flasching om the panel.
5. I coult not go back to 2WD or 4WD-L.
Test 2:
1. I start the car.
2. I disconect the white plug with wite wires from the vacum valve "nr4"
3. I pusch "4WD" button.
4. The green light for "4WD" start flasching om the panel.
5. I could not go back to 2WD or 4WD-L.
It dident work, it sounds like the vacumhubs go in to "4WD" anyway and the 4WD control locks upp.
Open the circuit to stop the signal dont seams to work on my car.
Last edit: 08 Aug 2021 14:21 by Filfrasen.
Please Log in or Create an account to join the conversation.
08 Aug 2021 14:03 - 09 Aug 2021 08:29 #237402
by Filfrasen
Replied by Filfrasen on topic 2WD-L on a late -2005 VVT
Last edit: 09 Aug 2021 08:29 by Filfrasen.
Please Log in or Create an account to join the conversation.
08 Aug 2021 22:19 - 08 Aug 2021 22:20 #237427
by yakuza
Norway 2005 Jimny M16A VVT, 235 Cooper Disco, 2" Trailmaster, ARB rear lck.
Replied by yakuza on topic 2WD-L on a late -2005 VVT
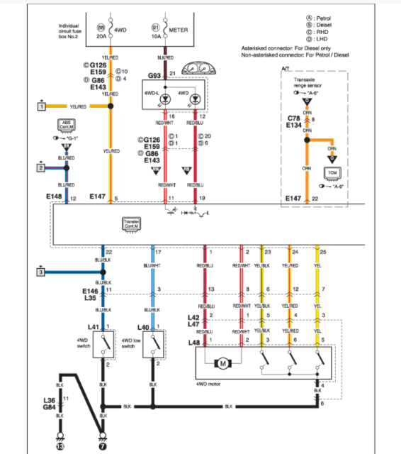
Sketch in post above is according to my understanding of the original wiki.
I would not Think it would break anything, there is to my knowledge no 4x4 "computer".
I would not Think it would break anything, there is to my knowledge no 4x4 "computer".
Norway 2005 Jimny M16A VVT, 235 Cooper Disco, 2" Trailmaster, ARB rear lck.
Last edit: 08 Aug 2021 22:20 by yakuza.
The following user(s) said Thank You: Filfrasen
Please Log in or Create an account to join the conversation.
Time to create page: 0.192 seconds
