A place for more technical discussions. Please make sure you post in the correct section on the site, this way it keeps the site tidy AND ensures you get a more relevant answer.
Headlight Leveling Motor / switch Wiring
- DavidEdie01
- Topic Author
- Offline
- New Member
-

Registered
Less
More
- Posts: 18
- Thank you received: 0
05 Apr 2024 20:28 #255467
by DavidEdie01
Headlight Leveling Motor / switch Wiring was created by DavidEdie01
Please Log in or Create an account to join the conversation.
05 Apr 2024 23:44 #255471
by fordem
Replied by fordem on topic Headlight Leveling Motor / switch Wiring
Please Log in or Create an account to join the conversation.
06 Apr 2024 06:32 #255472
by facade
If it suddenly breaks, go back to the last thing that you did before it broke and start looking there
Replied by facade on topic Headlight Leveling Motor / switch Wiring
The leveller is a servo, and moves until the voltage on the control pin is equal to the voltage it gets from a potentiometer connected to the output gear.
The switch just selects a voltage tap from that chain of internal resistors to feed to the control pin.
You could control it with a continuously variable potentiometer if you wanted.
After many years the potentiometer inside the servo either gets dirty or wears a hole in the track and the servo starts to buzz as it is continually moving very slightly trying to match the voltages.
The switch just selects a voltage tap from that chain of internal resistors to feed to the control pin.
You could control it with a continuously variable potentiometer if you wanted.
After many years the potentiometer inside the servo either gets dirty or wears a hole in the track and the servo starts to buzz as it is continually moving very slightly trying to match the voltages.
If it suddenly breaks, go back to the last thing that you did before it broke and start looking there
Please Log in or Create an account to join the conversation.
- DavidEdie01
- Topic Author
- Offline
- New Member
-

Registered
Less
More
- Posts: 18
- Thank you received: 0
08 Apr 2024 00:54 - 08 Apr 2024 00:55 #255492
by DavidEdie01
Replied by DavidEdie01 on topic Headlight Leveling Motor / switch Wiring
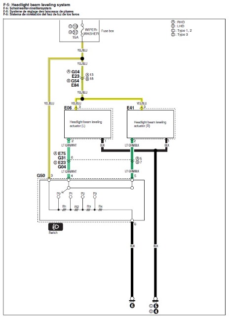
So far I know some stuff
in my photo,
Leveling motors
1 - connects to the leveling switch
2 - 12V +
3 - GND
leveling switch
judging by the diagram above
two pins of the switch are intended to go to either leveling motor exactly which of the 5 are, can't tell.
the switch has to get some input from the parking lights or something for the switch to show the orange light. so that's another pin
that leaves me with 2 more pins I suspect one of them gotta be a GND too but I'm not sure any help?
Leveling switch
4-
5-
6-
7-
8-
in my photo,
Leveling motors
1 - connects to the leveling switch
2 - 12V +
3 - GND
leveling switch
judging by the diagram above
two pins of the switch are intended to go to either leveling motor exactly which of the 5 are, can't tell.
the switch has to get some input from the parking lights or something for the switch to show the orange light. so that's another pin
that leaves me with 2 more pins I suspect one of them gotta be a GND too but I'm not sure any help?
Leveling switch
4-
5-
6-
7-
8-
Last edit: 08 Apr 2024 00:55 by DavidEdie01.
Please Log in or Create an account to join the conversation.
08 Apr 2024 13:03 #255499
by fordem
Replied by fordem on topic Headlight Leveling Motor / switch Wiring
Can you read a wiring diagram? Do you have a multi-tester and know how to use it?
Assuming the switch matches the one in the diagram, determining which pins are which is a matter of simple resistive tests.
turn the knob to p3 - look for two pins with a dead short between them, those will be pins #4 & #5.
turn the knob to p0 - look for a pin with a dead short to either #4 or #5 that will be pin #3.
look for a pin with some amount of resistance between it & #3, that will be pin #6, confirm by measuring the resistance between #6 & either #4 or #5, the resistance should change as the knob is rotated.
Assuming the switch matches the one in the diagram, determining which pins are which is a matter of simple resistive tests.
turn the knob to p3 - look for two pins with a dead short between them, those will be pins #4 & #5.
turn the knob to p0 - look for a pin with a dead short to either #4 or #5 that will be pin #3.
look for a pin with some amount of resistance between it & #3, that will be pin #6, confirm by measuring the resistance between #6 & either #4 or #5, the resistance should change as the knob is rotated.
Please Log in or Create an account to join the conversation.
- DavidEdie01
- Topic Author
- Offline
- New Member
-

Registered
Less
More
- Posts: 18
- Thank you received: 0
09 Apr 2024 03:11 #255504
by DavidEdie01
Replied by DavidEdie01 on topic Headlight Leveling Motor / switch Wiring
thanks for the reply, yeah right now I don't have the switch with me, waiting for it to arrive. I'm trying to get some knowledge in advance
I will try what you suggested
I will try what you suggested
Please Log in or Create an account to join the conversation.
Time to create page: 0.699 seconds
