A place for more technical discussions. Please make sure you post in the correct section on the site, this way it keeps the site tidy AND ensures you get a more relevant answer.
Rear door locks by itself, even when in the wide open position
19 Nov 2021 15:22 #240209
by GWFBrown
HI everyone
2011 Jimmy.
When I only open my rear door remotely - It auto locks in about two minutes, even if the door is wide open.
It only happens on the rear door, but auto locks all other doors.
If you remotely unlock and open any of the front doors, everything's OK - even the rear door stays unlocked.
So basically the rear door only auto locks when opened by itself.
I've changed the rear door light switch - no change.
The inside light comes on when door is opened, and goes out when door is closed
Mystery .
Regards.
Gordon.
2011 Jimmy.
When I only open my rear door remotely - It auto locks in about two minutes, even if the door is wide open.
It only happens on the rear door, but auto locks all other doors.
If you remotely unlock and open any of the front doors, everything's OK - even the rear door stays unlocked.
So basically the rear door only auto locks when opened by itself.
I've changed the rear door light switch - no change.
The inside light comes on when door is opened, and goes out when door is closed
Mystery .
Regards.
Gordon.
Please Log in or Create an account to join the conversation.
Less
More
- Posts: 9725
- Thank you received: 1949
19 Nov 2021 16:37 #240210
by Lambert
Temeraire (2018 quasar grey automatic)
Pavement princess or back road menace?
Bellerophon (2024 grello van daily)
ADORJ Attention Deficit Ooooh Race Jimny!
Replied by Lambert on topic Rear door locks by itself, even when in the wide open position
Sounds like a bad connection or broken wire in the back door probably in the hinge pass through. Take the door card off and check for obvious damage and also the rubber bellows into the body. You might be lucky and be able to see the damage or you may need a multi meter to check continuity.
Temeraire (2018 quasar grey automatic)
Pavement princess or back road menace?
Bellerophon (2024 grello van daily)
ADORJ Attention Deficit Ooooh Race Jimny!
Please Log in or Create an account to join the conversation.
Less
More
- Posts: 2276
- Thank you received: 641
19 Nov 2021 16:37 #240211
by DrRobin
2020 blue SZ5 (one of the last to be registered in the UK)
Ex 2011 Blue Jimny SZ4
Northumberland Jimny Blog
Replied by DrRobin on topic Rear door locks by itself, even when in the wide open position
It definitely sounds like the switch, but the lights come on, so the switch is working. As far as I know the switches are wired in parallel so if one works the lights and door locks, all of them work.
I wired a light in to the rear and connected it into the rear door switch, it comes on when any of the doors are open so it seems the switches are all in parallel.
Perhaps your Jimny was wired differently or modified by a previous owner for some reason.
Just one quick question, when you open the drivers door, does this stop the auto-lock or is it only when you put the key in the ignition?
I wired a light in to the rear and connected it into the rear door switch, it comes on when any of the doors are open so it seems the switches are all in parallel.
Perhaps your Jimny was wired differently or modified by a previous owner for some reason.
Just one quick question, when you open the drivers door, does this stop the auto-lock or is it only when you put the key in the ignition?
2020 blue SZ5 (one of the last to be registered in the UK)
Ex 2011 Blue Jimny SZ4
Northumberland Jimny Blog
Please Log in or Create an account to join the conversation.
Less
More
- Posts: 2276
- Thank you received: 641
19 Nov 2021 16:45 #240212
by DrRobin
2020 blue SZ5 (one of the last to be registered in the UK)
Ex 2011 Blue Jimny SZ4
Northumberland Jimny Blog
Replied by DrRobin on topic Rear door locks by itself, even when in the wide open position
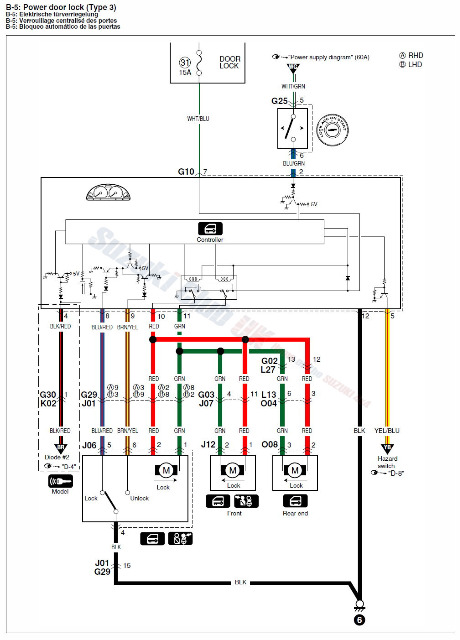
This is the wiring diagram for the central locking
There is no input from the internal light system. There are inputs from the ignition switch, the key (this might be the remote) and from the drivers door, so it might be the internal light is a red herring and you need the signal from either the ignition or drivers door.
Does it auto-lock if you open the passenger door?
There is no input from the internal light system. There are inputs from the ignition switch, the key (this might be the remote) and from the drivers door, so it might be the internal light is a red herring and you need the signal from either the ignition or drivers door.
Does it auto-lock if you open the passenger door?
2020 blue SZ5 (one of the last to be registered in the UK)
Ex 2011 Blue Jimny SZ4
Northumberland Jimny Blog
Please Log in or Create an account to join the conversation.
Less
More
- Posts: 9725
- Thank you received: 1949
19 Nov 2021 16:53 #240213
by Lambert
Temeraire (2018 quasar grey automatic)
Pavement princess or back road menace?
Bellerophon (2024 grello van daily)
ADORJ Attention Deficit Ooooh Race Jimny!
Replied by Lambert on topic Rear door locks by itself, even when in the wide open position
Auto lock if working correctly should cancel from any door being opened.
Temeraire (2018 quasar grey automatic)
Pavement princess or back road menace?
Bellerophon (2024 grello van daily)
ADORJ Attention Deficit Ooooh Race Jimny!
Please Log in or Create an account to join the conversation.
19 Nov 2021 17:06 #240214
by GWFBrown
Replied by GWFBrown on topic Rear door locks by itself, even when in the wide open position
Thanks for everyone's input.
Having taken all the side panels off, I've found a broken wire to the rear door switch wiring behind the rear light cluster.
Thanks again for everyone's help.
Gordon.
Having taken all the side panels off, I've found a broken wire to the rear door switch wiring behind the rear light cluster.
Thanks again for everyone's help.
Gordon.
Please Log in or Create an account to join the conversation.
Time to create page: 0.457 seconds
