A place for general chat about the Jimny. Please make sure you post in the correct section on the site, this way it keeps the site tidy AND ensures you get a more relevant answer.
Suppliers/Dealers or anyone selling with a commercial view in mind CANNOT post here unless responding to a specific request of a member in a "wanted" post.
Suppliers include people "breaking for spares" on a regular basis, when purchasing spares members should ask a supplier what they contribute to the running of the forum particularly if contacted by a Private Message
Suppliers or Members who have contributed to the forum can be identifed by the logo.
Suppliers/Dealers or anyone selling with a commercial view in mind CANNOT post here unless responding to a specific request of a member in a "wanted" post.
Suppliers include people "breaking for spares" on a regular basis, when purchasing spares members should ask a supplier what they contribute to the running of the forum particularly if contacted by a Private Message
Suppliers or Members who have contributed to the forum can be identifed by the logo.
Jimny Spotlights
- Dorbs
- Topic Author
- New Member
-

Public
Less
More
- Thank you received: 0
05 May 2019 20:31 #207412
by Dorbs
Jimny Spotlights was created by Dorbs
Hi
Can someone explain how to wire in spotlights that are connected to high beam and have an additional isolator switch in the cab.
Any help would be great !
Lots of people have various ways/ideas but the information seems disjointed and incomplete in many cases.
Maybe a simple drawing would help many people
Thank you in advance
Dorbs
Can someone explain how to wire in spotlights that are connected to high beam and have an additional isolator switch in the cab.
Any help would be great !
Lots of people have various ways/ideas but the information seems disjointed and incomplete in many cases.
Maybe a simple drawing would help many people
Thank you in advance
Dorbs
Please Log in or Create an account to join the conversation.
Less
More
- Posts: 764
- Thank you received: 227
06 May 2019 09:08 #207437
by zukebob
I started out with nothing & still have most of it left
Replied by zukebob on topic Jimny Spotlights
I started out with nothing & still have most of it left
Please Log in or Create an account to join the conversation.
Less
More
- Posts: 764
- Thank you received: 227
06 May 2019 09:15 #207438
by zukebob
I started out with nothing & still have most of it left
Replied by zukebob on topic Jimny Spotlights
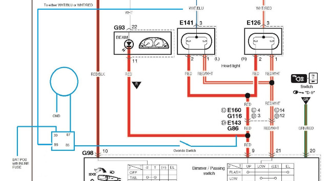
Sorry. Forgot to label the relay pins.
The lead to battery positive with inline fuse would be pin 30
Relay lead to ground would be pin 85
Relay lead to Spot would be pin 87
The lead from the red wire, through the override switch would connect to pin 86
All of this assumes a wiring harness with relays and inline fuses was supplied with the spots.
The lead to battery positive with inline fuse would be pin 30
Relay lead to ground would be pin 85
Relay lead to Spot would be pin 87
The lead from the red wire, through the override switch would connect to pin 86
All of this assumes a wiring harness with relays and inline fuses was supplied with the spots.
I started out with nothing & still have most of it left
Please Log in or Create an account to join the conversation.
- Dorbs
- Topic Author
- New Member
-

Public
Less
More
- Thank you received: 0
06 May 2019 10:56 #207448
by Dorbs
Replied by Dorbs on topic Jimny Spotlights
Thank you very much, I really appreciate it, have a good day !
Please Log in or Create an account to join the conversation.
Less
More
- Posts: 764
- Thank you received: 227
07 May 2019 01:16 - 07 May 2019 01:20 #207471
by zukebob
I started out with nothing & still have most of it left
Replied by zukebob on topic Jimny Spotlights
I would normally say "glad I could help" but actually hope you haven't done this yet and see this new post. I've done a decent amount of electrical on the Jimny but too often go back to the grounding system concept of my previous vehicles during discussions.
A corrected diagram is this:
Hopefully this hasn't created any problems.
A corrected diagram is this:
Hopefully this hasn't created any problems.
I started out with nothing & still have most of it left
Last edit: 07 May 2019 01:20 by zukebob.
The following user(s) said Thank You: yakuza
Please Log in or Create an account to join the conversation.
- Dorbs
- Topic Author
- New Member
-

Public
Less
More
- Thank you received: 0
07 May 2019 19:18 #207497
by Dorbs
Replied by Dorbs on topic Jimny Spotlights
No worries! Just appreciate your help!
Thanks again
Thanks again
Please Log in or Create an account to join the conversation.
Time to create page: 0.285 seconds
