A place for general chat about the Jimny. Please make sure you post in the correct section on the site, this way it keeps the site tidy AND ensures you get a more relevant answer.
Suppliers/Dealers or anyone selling with a commercial view in mind CANNOT post here unless responding to a specific request of a member in a "wanted" post.
Suppliers include people "breaking for spares" on a regular basis, when purchasing spares members should ask a supplier what they contribute to the running of the forum particularly if contacted by a Private Message
Suppliers or Members who have contributed to the forum can be identifed by the logo.
Suppliers/Dealers or anyone selling with a commercial view in mind CANNOT post here unless responding to a specific request of a member in a "wanted" post.
Suppliers include people "breaking for spares" on a regular basis, when purchasing spares members should ask a supplier what they contribute to the running of the forum particularly if contacted by a Private Message
Suppliers or Members who have contributed to the forum can be identifed by the logo.
Head light warning buzzer
- boomstick
- Topic Author
- New Member
-

Public
Less
More
- Thank you received: 0
10 May 2015 13:39 #143983
by boomstick
Head light warning buzzer was created by boomstick
Hi does anyone know where the headlight warning buzzer is located on a jimny w reg? I have tried to fit an after market one that buzzes constantly until the engine starts, thought I would find the location of the original and see if it can be fixed.
Please Log in or Create an account to join the conversation.
10 May 2015 15:13 - 10 May 2015 15:15 #143984
by Halford
Replied by Halford on topic Head light warning buzzer
is it different to the keys-in-beeper ?
not sure if this helps
disconnect the "key in the ignition" warning beep
Thanks to BlueRocket a Member of SA4x4 Community Forum www.4x4community.co.za
very simple, will take about 1 minute, only disconnects the beeper on the ignition - "lights on" beeper will still work.
pull open the cover under the steering wheel, diconnect the plug with 2 green wires on the one side and a blue/yellow and white on the other side.
1. Where to open Cover
2. Cover clip details
3. Plug to disconnect
4. Plug disconnected
5. Plug cable tied
not sure if this helps
disconnect the "key in the ignition" warning beep
Thanks to BlueRocket a Member of SA4x4 Community Forum www.4x4community.co.za
very simple, will take about 1 minute, only disconnects the beeper on the ignition - "lights on" beeper will still work.
pull open the cover under the steering wheel, diconnect the plug with 2 green wires on the one side and a blue/yellow and white on the other side.
1. Where to open Cover
2. Cover clip details
3. Plug to disconnect
4. Plug disconnected
5. Plug cable tied
Last edit: 10 May 2015 15:15 by Halford.
Please Log in or Create an account to join the conversation.
- Jimbospanner
-
- Offline
- Premium Member
-

Registered
Less
More
- Posts: 91
- Thank you received: 9
10 May 2015 15:14 #143985
by Jimbospanner
Replied by Jimbospanner on topic Head light warning buzzer
Hi,
I used the ign, independent to anything else as it was too hard to find any of the wires. I used a light on the clock to power the buzzer, with the tap off the ign power ( cig lighter ) to power the relay. - See more at: www.bigjimny.com/index.php/forum?view=to...id=7&id=55652#128195 and below.
I used the ign, independent to anything else as it was too hard to find any of the wires. I used a light on the clock to power the buzzer, with the tap off the ign power ( cig lighter ) to power the relay. - See more at: www.bigjimny.com/index.php/forum?view=to...id=7&id=55652#128195 and below.
Please Log in or Create an account to join the conversation.
30 Nov 2021 09:45 - 30 Nov 2021 09:47 #240406
by partlion
Replied by partlion on topic Head light warning buzzer
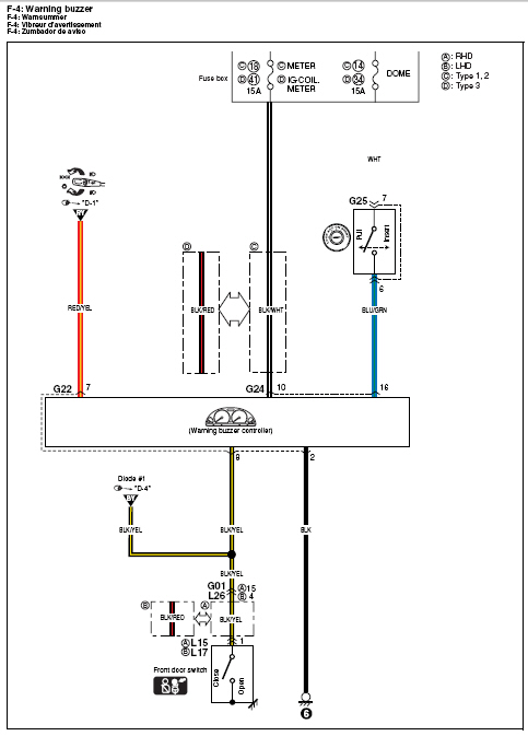
Know this is an old thread, but thought I’d add some extra information here for anyone else trying this.
I’m using a piezo buzzer wired up with a relay to the headlight switch and the ignition switch such that the buzzer sounds only when the headlights are on and the ignition is switched off. (An unintended side effect of this is that the buzzer goes off briefly each time the car is locked/unlocked and the headlights flash, but it doesn’t bother me too much).
The pic of the wires Halford showed weren’t the same in my Jimny (1999 model), so I had to check each wire in the loom manually to find the ignition and headlights. Simple enough, just connect a multimeter to ground (I just used the spring on the accelerator pedal) and test each wire (you can sort of poke the multimeter into the cable connector). The headlight wire will be +12V when headlights are on and 0V when they’re off. The ignition wire will be +12V when the key is turned to ON or ACC and 0V when the key is turned to OFF.
For me these wires were:
RED/YEL – Headlights
YEL/BLU – Ignition ON/OFF
BLACK – Ground
Side note: the headlight and ground wire colouring fits in with what’s in the early G13BB Jimny wiring manual (99512-81A00-015), but not the ignition wire, so I’ve labelled all the wires on a photo, but yours may be different. The connector I have is in the same area as in Halford’s pictures, but the white connector with 18 pins.
[img]blob:https://imgur.com/74eeec49-6311-4bb1-be87-7e1b2bdbd643[/img]
Here’s a diagram of how to wire up a relay (any 4-pin 12V automotive relay should do the trick) and piezo buzzer to the wires in the loom to make the piezo buzzer.
Hope this helps if anyone else without a stock headlight buzzer is doing this mod.
I’m using a piezo buzzer wired up with a relay to the headlight switch and the ignition switch such that the buzzer sounds only when the headlights are on and the ignition is switched off. (An unintended side effect of this is that the buzzer goes off briefly each time the car is locked/unlocked and the headlights flash, but it doesn’t bother me too much).
The pic of the wires Halford showed weren’t the same in my Jimny (1999 model), so I had to check each wire in the loom manually to find the ignition and headlights. Simple enough, just connect a multimeter to ground (I just used the spring on the accelerator pedal) and test each wire (you can sort of poke the multimeter into the cable connector). The headlight wire will be +12V when headlights are on and 0V when they’re off. The ignition wire will be +12V when the key is turned to ON or ACC and 0V when the key is turned to OFF.
For me these wires were:
RED/YEL – Headlights
YEL/BLU – Ignition ON/OFF
BLACK – Ground
Side note: the headlight and ground wire colouring fits in with what’s in the early G13BB Jimny wiring manual (99512-81A00-015), but not the ignition wire, so I’ve labelled all the wires on a photo, but yours may be different. The connector I have is in the same area as in Halford’s pictures, but the white connector with 18 pins.
[img]blob:https://imgur.com/74eeec49-6311-4bb1-be87-7e1b2bdbd643[/img]
Here’s a diagram of how to wire up a relay (any 4-pin 12V automotive relay should do the trick) and piezo buzzer to the wires in the loom to make the piezo buzzer.
Hope this helps if anyone else without a stock headlight buzzer is doing this mod.
Last edit: 30 Nov 2021 09:47 by partlion.
Please Log in or Create an account to join the conversation.
Time to create page: 0.231 seconds
