A place for more technical discussions. Please make sure you post in the correct section on the site, this way it keeps the site tidy AND ensures you get a more relevant answer.
Lightbar & Reverse Light Wiring Harness Help
- IzakJackson
-
Topic Author
- Offline
- Junior Member
-

Registered
04 Feb 2024 12:56 #254020
by IzakJackson
I'm an adventure filmmaker & photographer exploring in my Gen 3 Jimny.
Lightbar & Reverse Light Wiring Harness Help was created by IzakJackson
Hi,
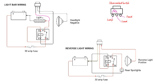
I'm planning to fit a light bar and reverse light to my 2013 Jimny.
I've put together some wiring diagrams for each - could anyone let me know if they look right?
I'm planning to use 25 amp wiring throughout.
I'm planning to fit a light bar and reverse light to my 2013 Jimny.
I've put together some wiring diagrams for each - could anyone let me know if they look right?
I'm planning to use 25 amp wiring throughout.
I'm an adventure filmmaker & photographer exploring in my Gen 3 Jimny.
Please Log in or Create an account to join the conversation.
04 Feb 2024 13:47 - 04 Feb 2024 13:52 #254021
by facade
If it suddenly breaks, go back to the last thing that you did before it broke and start looking there
Replied by facade on topic Lightbar & Reverse Light Wiring Harness Help
I assume the 3 terminal switches are because one terminal is the illumination bulb, and that you want the switch to light up when the light bar or rear spot is on.The reverse spot will work, but the illumination terminal of the light bar switch needs to go to live, I'd take it to the feed to the light bar as shown.
If it suddenly breaks, go back to the last thing that you did before it broke and start looking there
Last edit: 04 Feb 2024 13:52 by facade.
The following user(s) said Thank You: IzakJackson
Please Log in or Create an account to join the conversation.
04 Feb 2024 15:14 #254022
by Phaeton
Replied by Phaeton on topic Lightbar & Reverse Light Wiring Harness Help
TBH if you are just fitting LED reverse lights no relay or extra wiring is required, it goes through a manual switch in the gearbox
Obviously if you are going the old style spots then a relay is advisable, but 30A is a lot of draw, I would have though a max 10A fuse, or even a 5A depending on what you are fitting, 10A is still 120W or 2 headlight on full beam.
Obviously if you are going the old style spots then a relay is advisable, but 30A is a lot of draw, I would have though a max 10A fuse, or even a 5A depending on what you are fitting, 10A is still 120W or 2 headlight on full beam.
The following user(s) said Thank You: IzakJackson
Please Log in or Create an account to join the conversation.
- IzakJackson
-
Topic Author
- Offline
- Junior Member
-

Registered
04 Feb 2024 15:55 #254023
by IzakJackson
I'm an adventure filmmaker & photographer exploring in my Gen 3 Jimny.
Replied by IzakJackson on topic Lightbar & Reverse Light Wiring Harness Help
Yeah, that's right with the switches. Thanks for the help!
I'm an adventure filmmaker & photographer exploring in my Gen 3 Jimny.
Please Log in or Create an account to join the conversation.
- IzakJackson
-
Topic Author
- Offline
- Junior Member
-

Registered
04 Feb 2024 15:57 #254024
by IzakJackson
I'm an adventure filmmaker & photographer exploring in my Gen 3 Jimny.
Replied by IzakJackson on topic Lightbar & Reverse Light Wiring Harness Help
Thanks. Yeah I think it was a case of me going for more than I needed with fuses just for head room. I'll put a smaller fuse on it.
What would the harness look like for going into the gear box?
What would the harness look like for going into the gear box?
I'm an adventure filmmaker & photographer exploring in my Gen 3 Jimny.
Please Log in or Create an account to join the conversation.
04 Feb 2024 17:22 #254025
by Phaeton
Replied by Phaeton on topic Lightbar & Reverse Light Wiring Harness Help
Actually I say that about the fuses, I did my extra lights at the same time as the towbar & fitted a towing bypass relay only because I had on in my drawer. So my reversing lights are on a relay, Sorry about that, but if I was just fitting those LED lights I wouldn't have bothered, I'd have just teed into the reverse wiring at the lamps or somewhere down the right hand side where the cable runs.What would the harness look like for going into the gear box?
Please Log in or Create an account to join the conversation.
Time to create page: 0.527 seconds
